Каталог

Комплект крепления к столбу монтажной полосой (YKK-0-125)

Код товара: (943327)

Производитель: IEK

3 431 р.

Опт и мелкий опт (уточняйте у менеджера)

Количество:  - +
Количество: 
- +
Монтажные и пусконаладочные работы

Описание товара

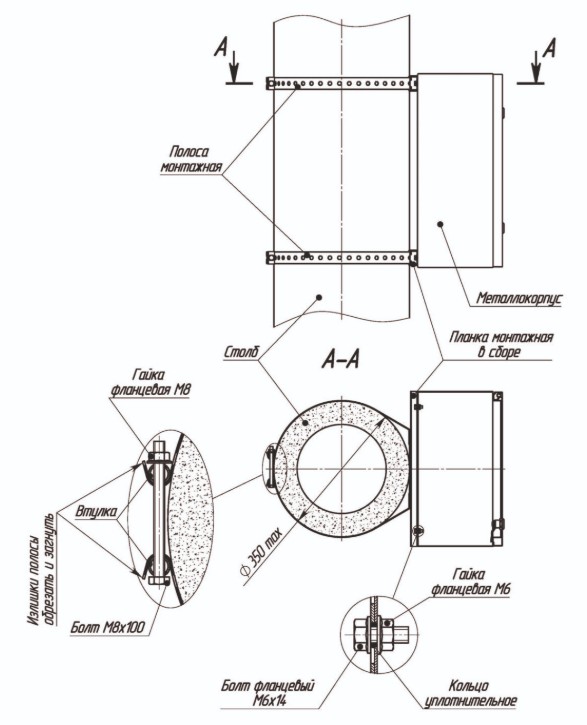
Комплект крепления металлокорпуса монтажной полосой к столбу круглого сечения диаметром до 350 мм, наибольший вес закрепляемого корпуса 80 кг

Назначение изделия

Комплект предназначен для монтажа металлических корпусов:
- на железобетонных стойках типа СВ110 и СВ105 – крепление скобами;
- на столбах круглого сечения диаметром до 350 мм – крепление монтажными полосами.

Технические характеристики

  • Наибольший вес закрепляемого корпуса, кг80

Документация

Аналогичные товары