Каталог

КР-СМК-1 "Нержавейка"

Код товара: (004133)

Производитель: Магнито-Контакт

520 р.

Опт и мелкий опт (уточняйте у менеджера)

Количество:  - +
Количество: 
- +
Монтажные и пусконаладочные работы

Описание товара

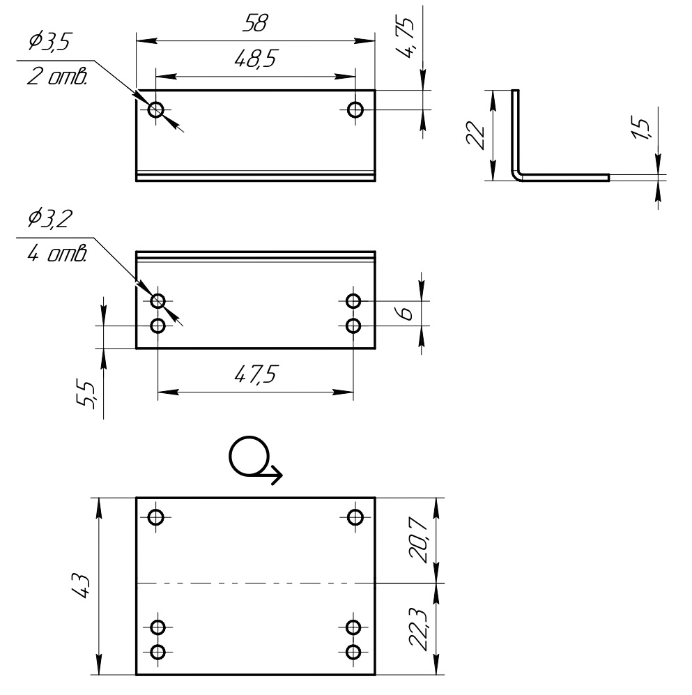
Кронштейн для изменения положения (на 90°) при монтаже блока магнита или блока датчика магнитоконтактных извещателей, совместим с ИО 102-2, ИО 102-52, СМК-1; нерж. сталь, габ.размеры (ВхГхД) 22х23.5х58 мм

Назначение изделия

Кронштейн резьбовой КР Нержавейка предназначен для изменения положения при монтаже блока магнита или блока датчика магнитоконтактных извещателей (или датчиков положения) к поверхностям охраняемых конструкций. Кронштейн позволяет изменить положение одного из блоков на 90 град, что обеспечивает правильное совмещение блока магнита и датчика и исключает нестабильную работу извещателя.
Преимуществом резьбового кронштейна над обычным, является то, что в крепежном отверстии уже имеется резьба для прижимного винта (гайка не требуется).

Документация

Аналогичные товары