Каталог

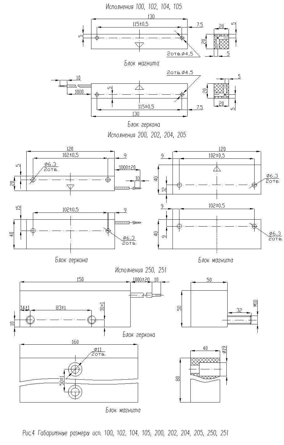
ИО 102-26 исп.104

Код товара: (431723)

Производитель: Магнито-Контакт

4 524 р.

Опт и мелкий опт (уточняйте у менеджера)

Количество:  - +
Количество: 
- +
Монтажные и пусконаладочные работы

Описание товара

Магнитоконтактный для металлических поверхностей; контакты размыкаются при тревоге, 30 мм (контакты замкнуты), 70 мм (контакты разомкнуты); U-коммут.72 В, I-коммут.500 мА, P-коммут.10 Вт; IP68, t-раб.-50…+50°С, 130х20х20 мм (магнит и геркон). Кабель КСПВГ 2x0,2 в металлорукаве Ø6.2 мм 1000 мм . Алюминиевый корпус. 0.22 кг.

Назначение изделия

Извещатели охранные точечные магнитоконтактные ИО 102-26 предназначены для контроля положения перемещающихся отдельных частей конструкций и механизмов, а также для блокировки стальных ворот, железнодорожных контейнеров, дверей вагонов, ангаров и других конструктивных элементов зданий и сооружений на открывание или смещение с выдачей сигнала "Тревога" на приемно-контрольный прибор, концентратор или пульт централизованного наблюдения.

Дополнительное оборудование

(064133) - КР-26-100/200 АЯКС "Нержавейка", Кронштейн

Технические характеристики

  • Тип контактовНЗ
  • - максимальный коммутируемый ток, мА500
  • Степень защитыIP68
  • - при размыкании контактов, более70
  • Диапазон рабочих температур, °С-50…+50
  • - при замыкании контактов, менее30
  • - корпус геркона130х20х20
  • - максимальное коммутируемое напряжение, В72
  • - корпус магнита130х20х20
  • Масса, не более, кг0.09

Документация

Аналогичные товары