Каталог

КР-40 "Нержавейка"

Код товара: (034133)

Производитель: Магнито-Контакт

693 р.

Опт и мелкий опт (уточняйте у менеджера)

Количество:  - +
Количество: 
- +
Монтажные и пусконаладочные работы

Описание товара

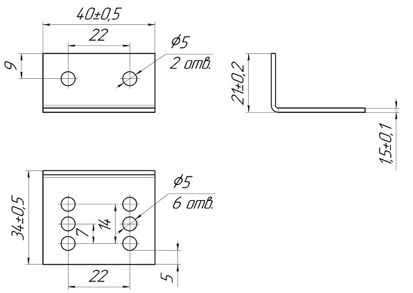
Кронштейн для изменения положения (на 90°) при монтаже блока магнита или блока датчика магнитоконтактных извещателей, совместим с ИО 102-40; нерж. сталь, габ.размеры (ВхГхД) 21х34х40 мм

Назначение изделия

Кронштейн резьбовой КР Нержавейка предназначен для изменения положения при монтаже блока магнита или блока датчика магнитоконтактных извещателей (или датчиков положения) к поверхностям охраняемых конструкций. Кронштейн позволяет изменить положение одного из блоков на 90 град, что обеспечивает правильное совмещение блока магнита и датчика и исключает нестабильную работу извещателя.
Преимуществом резьбового кронштейна над обычным, является то, что в крепежном отверстии уже имеется резьба для прижимного винта (гайка не требуется).

Документация

Аналогичные товары