Каталог

БК-4MVE

Код товара: (880523)

Производитель: VIZIT

1 982 р.

Опт и мелкий опт (уточняйте у менеджера)

Количество:  - +
Количество: 
- +
Монтажные и пусконаладочные работы

Описание товара

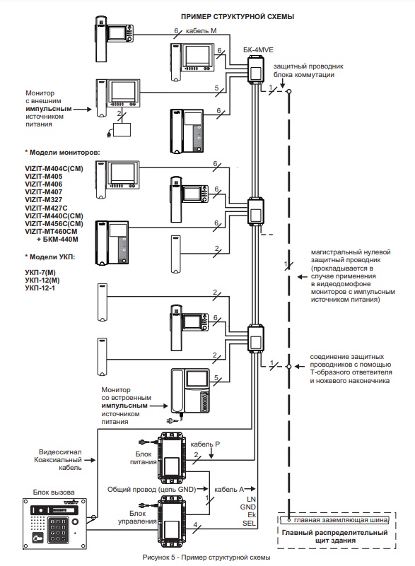
Коммутатор этажный на 4 абонента совмещенный с разветвителем PBCC-4 с групповым питанием мониторов.

Назначение изделия

Предназначен для подключения абонентских мониторов к подъездной линии связи многоабонентского видеодомофона VIZIT с групповым питанием мониторов.

Особенности

ВНИМАНИЕ!
● 1 Блоком питания можно запитать:
- VIZIT-M427C до 27 шт;
- VIZIT-M468M до 5шт

● количество подключаемых мониторов или УКП - не более 4;
● встроенный разветвитель видеосигнала;
● напряжение питания постоянного тока, В: 24±4;
● габаритные размеры, мм, (ШхВхГ) - 75х135х35;
● диапазон рабочих температур, °С - от плюс 1 до плюс 40.

Технические характеристики

  • Количество подключаемых мониторов или УКП, не более4
  • Ток потребления, не более, мА10
  • Напряжение питания, В24±4
  • Габаритные размеры мм75х135х35
  • Масса, не более, кг0.2

Документация

Аналогичные товары

БВД-310R
3 880 р. БВД-310R
VIZIT-TU418
6 847 р. VIZIT-TU418
БВД-317FCBW
10 931 р. БВД-317FCBW
БВД-315RCP
8 589 р. БВД-315RCP
УКП-12G
1 178 р. УКП-12G