Каталог

УК-Д (02) исп. КМ-О (24В)

Код товара: (008124)

Производитель: Гефест

1 664 р.

Опт и мелкий опт (уточняйте у менеджера)

Количество:  - +
Количество: 
- +
Монтажные и пусконаладочные работы

Описание товара

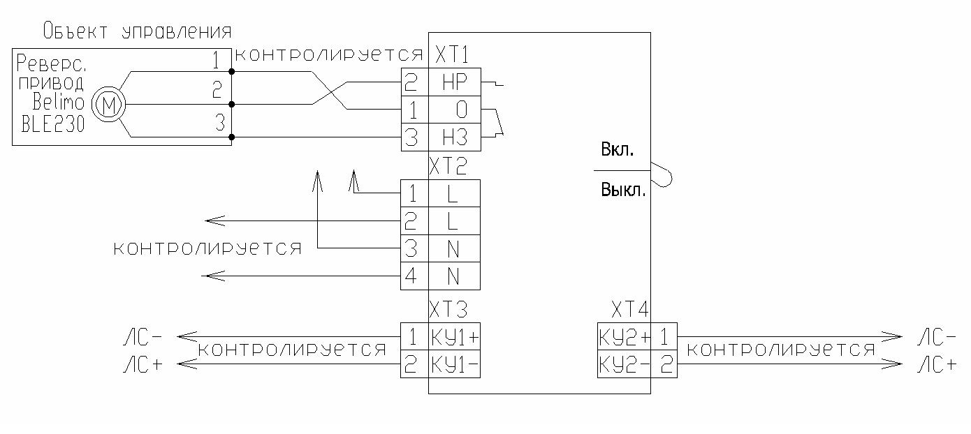
Устройство контроля и диагностики для работы в составе многокомпонентного прибора управления пожарного ППУ «Гефест»; для контроля целостности цепей нормально включенных/выключенных обмоток исполнительных элементов, работающих от сети 220 В; U-линии связи20…28 В; I-потр.8 мА (в режиме "ПУСК"); U-коммут.250 В/1А; IP41; t-раб.-30…+55°C; 147х72х37 мм

Назначение изделия

УК-Д (02) включается в диагностируемую линию связи управляющего устройства: устройства контроля линий связи и пуска базового УКЛСиП (Б) или устройства контроля линий связи и пуска релейно-прецизионного УКЛСиП (РП).
УК-Д(02) применяется для контроля целостности цепей исходно выключенных и исходно включенных обмоток исполнительных элементов, работающих от сети 220 В.
При подключенных и исправных исполнительных элементах устройство формирует в ЛС сигнал «Норма». При обрыве линии или неисправности обмотки исполнительного устройства УК-Д(02) формирует в ЛС сигнал «Неисправность».
В УК-Д(02) предусмотрено включение пускового реле с помощью технологического тумблера, установленного в устройстве.
Если полярность напряжения в линии связи изменилась на противоположную (режим «Пуск»), тогда срабатывает реле подачи или снятия напряжения с исполнительных элементов. При этом реле УК-Д(02) самоблокируется - это необходимо для удержания исполнительных элементов в режиме «Пуск» при возможной неисправности линии связи до УК-Д(02).

Особенности

УК-Д(02) обладает функцией «защелки», т.е. после включения пускового реле и снятия напряжения с линии связи реле продолжает находиться во включенном состоянии.

ОБРАЩАЕМ ВНИМАНИЕ на то, что испытания приборов УКЛСИП (С) и УКД (02) исп. КМ-О проводились только с приводами фирмы BELIMO. С остальными приводами испытания данных приборов не проводились!

Для возможности установки большого количества УК-Д(02) в ЛС УКЛСиП(Б) или УКЛСиП(РП), в устройстве предусмотрен «эстафетный» режим пуска. Команда «Пуск» передается по цепочке и пусковое реле в каждом следующем УК-Д(02) срабатывает с задержкой 100 мс по отношению к предыдущему.

Технические характеристики

  • - кол-во релейных выходов1
  • - по соединительной линии24
  • - коммутируемое напряжение, В250
  • - коммутируемый ток, А1
  • - в дежурном режиме не более5
  • Степень защитыIP41
  • - в режиме «ПУСК»30
  • Диапазон рабочих температур, °С-30…+55
  • Габаритные размеры мм145х72х37

Документация

Аналогичные товары