Каталог

УК-Д (04) исп. У (24В)

Код товара: (695424)

Производитель: Гефест

1 533 р.

Опт и мелкий опт (уточняйте у менеджера)

Количество:  - +
Количество: 
- +
Монтажные и пусконаладочные работы

Описание товара

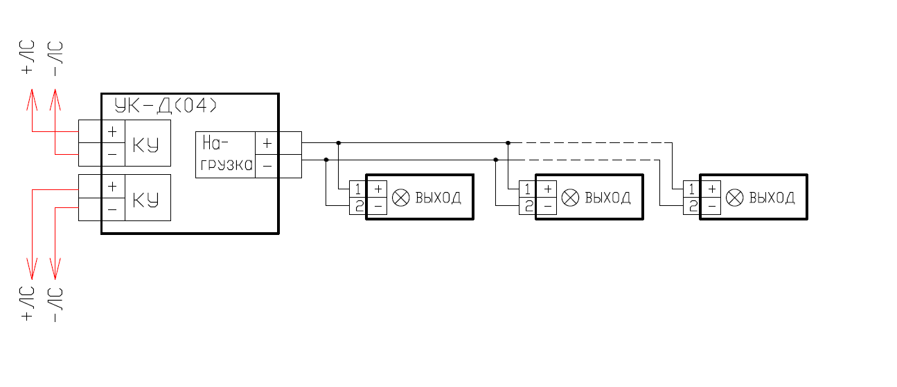
Устройство контроля и диагностики для работы в составе многокомпонентного прибора управления пожарного ППУ «Гефест»; для контроля только светодиодных указателей; U-линии связи 20,5…28 В; I-потр.5 мА; I-вых.300 мА; IP41; 72х72х36 мм

Назначение изделия

Устройство УК-Д(04) исп. КМ-О входит в состав многокомпонентного прибора управления пожарного ППУ «Гефест» и является исполнительным устройством, которое включается в диагностируемую линию связи устройства управления: центральный блок, устройств контроля линий связи и пуска УКЛСиП(Б) или УКЛСиП(РП).
Устройство предназначено для контроля линии связи постоянно включенных световых оповещателей и самих световых оповещателей, например, световых оповещателей «Выход», «Насосная станция» и т. п.
Устройство ведет постоянный контроль подключенных к нему световых оповещателей по величине тока потребления, сравнивая значение величины тока со значением, запрограммированным на этапе пусконаладочных работ.
УК-Д(04) исп. КМ-О формирует сигнал «Неисправность» при отклонении тока потребления световыми оповещателями относительно запрограммированного тока на величину ± 6 мА.
УК-Д(04) исп. КМ-О обладает функцией электронного предохранителя, отключающего линию со световыми оповещателями при возникновении в ней короткого замыкания. После устранения короткого замыкания устройство автоматически восстанавливает работоспособность.

Особенности

ВНИМАНИЕ! Устройство предназначено для контроля световых оповещателей только на полупроводниковых светодиодах. Устройство не работает со световыми оповещателями на лампах накаливания.
На входе устройства установлен Ограничитель тока короткого замыкания с тепловым взводом – ИКЗТВ «Гефест», позволяющий при пожаре и выходе из строя самого устройства отключить устройство от линии связи, чем обеспечить работоспособность остальных устройств, включенных в линию связи.

Технические характеристики

  • - по соединительной линии20.5…28
  • - минимальный ток нагрузки0.01
  • - максимальный ток нагрузки0.3
  • - не более5
  • Степень защитыIP41
  • - в режиме КЗ не более15
  • Габаритные размеры мм72х72х36

Документация

Аналогичные товары