Каталог

ВС-ПК ВЕКТОР-120

Код товара: (724930)

Производитель: Версет

8 846 р.

Опт и мелкий опт (уточняйте у менеджера)

Количество:  - +
Количество: 
- +
Монтажные и пусконаладочные работы

Описание товара

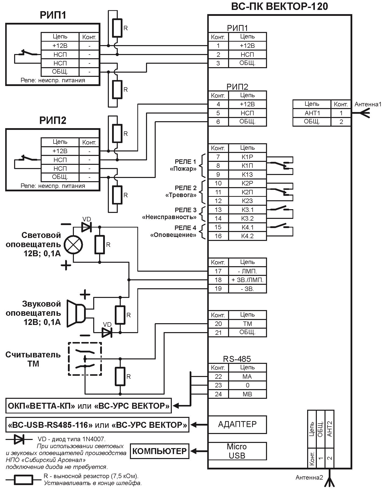
Прибор приемно-контрольный охранно-пожарный радиоканальный, 20 адресных зон, до 64 радиоканальных устройств (в том числе до 24 радиоканальных оповещателей), память 10000 событий, до 80 идентификаторов (радиобрелков, ключей ТМ, кодов пользователей), работа в автономном режиме и в составе системы  ВЕТТА-2020, RS-485, ТМ, два выхода "ОК" для СО и ЗО, 4 реле, 2 входа питания, U-пит.12 В, I-потр.100 мА; IP40, t-раб.-30...+55°С, 254х165х39 мм

Назначение изделия

Прибор приёмно-контрольный и управления охранно-пожарный адресный радиоканальный «ВС-ПК ВЕКТОР-120» предназначен для работы по обеспечению защиты охраняемого объекта от пожара и несанкционированного проникновения, для управления пожарным оповещением. Прибор работает совместно с радиоканальными устройствами: радиоканальными извещателями, радиоканальными оповещателями, радиоканальными брелками, кодонаборными панелями и другими устройствами, входящими в состав адресной охранно-пожарной радиоканальной системы «ВС ВЕКТОР-АР».

Особенности

- прибор работает с 64 радиоканальными извещателями и оповещателями, радиоканальными тревожными и сигнальными кнопками (радиоканальные устройства);
- общее количество радиоканальных оповещателей, подключаемых к прибору – до 24;
- прибор имеет 20 адресных зон охраны, каждой зоне соответствует индикатор ее состояния. За каждой зоной могут быть закреплены один или более радиоканальных извещателей;
- прибор имеет одну зону беспроводного оповещения, за которой закрепляются все радиоканальные оповещатели;
- в приборе реализована двухсторонняя связь с радиоканальными устройствами по двум независимым каналам приема-передачи;
- высокая помехозащищенность радиоканала достигнута возможностью выбора рабочих частот прибора из 16 частотных литер;
- передача данных выполняется с помощью зашифрованных сообщений;
- дальность передачи данных по радиоканалу между прибором и радиоканальными устройствами — до 600 метров на открытой местности;
- наличие интерфейса RS-485 для работы с пультовой системой ВЕТТА – 2020 или подключения устройства регистрации событий;
- управление прибором выполняется радиобрелками, радиоканальными кодонаборными панелями и ключами ТМ. Брелки и ключи могут управлять одной или несколькими зонами — разделами. Возможно управление с пульта системы ВЕТТА-2020;
- прибор ведет электронный журнал событий.

Дополнительное оборудование

(734327) - ВС-РТР ВЕКТОР, Ретранслятор

Пожарные извещатели
(125123) - ДИП-220Р ВЕКТОР (ИП212-220Р), Извещатель пожарный дымовой
(426327) - ДИП-230Р ВЕКТОР (ИП212-230Р), Извещатель пожарный дымовой со встроенной сиреной
(152526) - ИП101-17Р-A1R "ИП-17Р-А1R ВЕКТОР", Извещатель тепловой t-сраб.54...65°С
(162526) - ИП101-17Р-A3R "ИП-17Р-А3R ВЕКТОР", Извещатель тепловой t-сраб.64...76°С
(375625) - ВС-ИПР-031 ВЕКТОР, Извещатель пожарный ручной радиоканальный
(890827) - ВС-УДП ВЕКТОР, Устройство дистанционного пуска
(315123) - ВС-ПИ ВЕКТОР, Радиопередающее устройство (РПД)

Оповещатели
(907624) - ВОСХОД-Р-024, Оповещатель свето-звуковой радиоканальный
(285123) - ВОСХОД-Р "Выход", Табло световое, питание от 2-х батарей CR123A(3В)
(231923) - ВОСХОД-Р 12В "Выход", Табло световое, внешнее питание 12 В
(309226) - ВОСХОД-Р-01 "Пожар", Табло световое, питание от 2-х батарей CR123A(3В)
(492028) - ВОСХОД-Р-02 "Стрелка вправо", Табло световое, питание от 2-х батарей CR123A(3В)
(676428) - ВОСХОД-Р-03 "Стрелка влево", Табло световое, питание от 2-х батарей CR123A(3В)
(820923) - ВОСХОД-РС1 "Выход", Табло со встроенной сиреной, питание от 2-х батарей CR123A(3В)
(241923) - ВОСХОД-РС1 12В "Выход", Табло со встроенной сиреной, внешнее питание 12 В
(602029) - ВОСХОД-РС1-01 "Пожар", Табло со встроенной сиреной, питание от 2-х батарей CR123A(3В)
(219823) - ВОСХОД-РС1-02 "Стрелка вправо", Табло со встроенной сиреной, питание от 2-х батарей CR123A(3В)
(229823) - ВОСХОД-РС1-03 "Стрелка влево", Табло со встроенной сиреной, питание от 2-х батарей CR123A(3В)
(483424) - ТОН-Р-028, Оповещатель речевой

Устройства управления
(325123) - Б4-Р (Б-4 Р) ВЕКТОР, Радиобрелок
(155326) - ВС-РК ВЕКТОР, Радиоустройство

Охранные извещатели
(305123) - ВС-СМК ВЕКТОР, Извещатель магнитоконтактный
(165326) - ВС-ТК ВЕКТОР, Брелок тревожной сигнализации 4-х кнопочный
(175326) - ВС-ТКС ВЕКТОР, Кнопка тревожная стационарная
(897624) - ВС-ИК-021 ВЕКТОР, Извещатель ИК-объемный
(365625) - ВС-ИК-022 ВЕКТОР, Извещатель ИК-поверхностный ("штора")
(622627) - Сонар-Р, Извещатель разбития стекла

Устройства подачи сигналов вызова
(436327) - ВС-CК ВЕКТОР, Брелок вызова 4-х кнопочный
(446327) - ВС-CКС ВЕКТОР, Кнопка вызова стационарная

Устройства регистрации событий
(105228) - ВС-USB-RS485-116, Адаптер для считывания журнала событий прибора ВС-ПК ВЕКТОР-116(120) в ПК
(295128) - ВС-УРС ВЕКТОР, Устройство регистрации событий

Технические характеристики

  • Количество адресных зон охраны20
  • - коммутируемый ток, А3
  • Кол-во регистрируемых радиоканальных уст-в64
  • Количество радиоканальных оповещателей24
  • - от внешнего источника питания10.5…15
  • Общее количество радиоканальных брелков, паролей кодонаборных панелей и электронных ключей80
  • Дальность радиосвязи, мдо 600
  • - не более100
  • Степень защитыIP40
  • - кол-во релейных выходов4
  • Диапазон рабочих температур, °С-30…+55
  • - коммутируемое напряжение, В250
  • Габаритные размеры мм254х165х39

Документация

Аналогичные товары