Каталог

Полис-121И

Код товара: (591525)

Производитель: Витек

5 110 р.

Опт и мелкий опт (уточняйте у менеджера)

Количество:  - +
Количество: 
- +
Монтажные и пусконаладочные работы

Описание товара

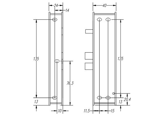
Накладной, универсальный, без механической разблокировки, 12 В, 0,15 А, диаметр засовов 12 мм, ход засова 14 мм, 160х40х25мм, -40…+60 °С, нормально-открытый, открывается снятием напряжения

Комлектация

Комплектность:
• замок электромеханический
• запорная часть
• паспорт

Технические характеристики

  • Напряжение питания, В12
  • Сторона открывания двериЛюбая (универсальный замок)
  • Ток потребления (при 12 В), не более, А0.15
  • Диапазон рабочих температур, °С-40…+60
  • Тип установкиНакладной
  • Габаритные размеры мм160х40х25

Документация

Аналогичные товары